電機星三角啟動方式主要的保護是熱繼電器。若使用熱繼電器對大型電機作保護,就會使大電線出現斷點(即進出熱繼電器的螺絲接線)問題,容易出現發熱點和故障點。
如果不用熔斷器和熱繼電器,而采用電機綜合保護器來實現,因為電機綜合保護器是穿心式,就可以減少大電線的斷點,從而減少發熱點和故障點,且價格比兩者便宜。
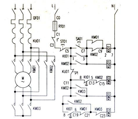
使用電機綜合保護器時必須注意控制線路的接線問題。以確保正常運行。
有的電機綜合保護器注明:“一定要接上負載才能正常工作,不接負載時處于缺相工作狀態。因此,綜合保護器是拒絕合閘的,電動機將無法啟動”。這說明電機綜合保護器內部,是依靠電流互感器,檢測三相電流的有無,來判斷缺相否,系統技術。在未接通電源和沒有負載時。這個閉點實際上是開點,所以沒法合閘。如型號為JD-6-300A的電機綜合保護器。接線如上圖所示。
圖1電路中,利用按鈕的動作,錯開了保護器電流檢測的開閉點問題。在時間繼電器的線包前面串并接了KM01和KM02兩個輔助閉點,是為了在啟動結束后,關斷時間繼電器(因為時間繼電器繼續通電沒有意義)。 、JD-6型電機綜合保護器的原理如下圖所示。具有缺相、過載的反時限特性保護功能。
電路主要由雙時基IC芯片NE556與電壓電流取樣環節組成比較電路、多諧振蕩電路、單穩態電路等。
簡述如下:
1.缺相保護L1~L3.三個電流互感器取樣,經三個三極管U9~U11組成的與門,在電阻R4上獲得門限電位。
缺相時,只要其中一個三極管截止,在R4上形成低電位時,紅色發光二極管亮,便表示缺相。同時電容C6快速充電,NE556的左邊555時基組成比較單元。
NE556的OUT1輸出端⑤腳是高電位,繼電器K1斷開,對外的保護點也斷開,從而使接觸器回路跳開,電機斷電而受到缺相保護。
不缺相時,在R4上形成高電位時,電容C6不能充電,NE556的OUT1輸出端⑤腳變成低電位,K1吸合。對外的保護點是閉點,電機具備啟動的條件。
2.正常運行電機啟動后,在正常運行時,電流互感器的取樣電位不會高于時基內部比較電位。多諧振蕩電路也變成一個比較電路。NE556的OUT2輸出端⑨腳變成高電位,綠色發光二極管常亮,表示運行正常。
3.過載保護過載時,R4上的取樣電位高于時基內部比較電位。隨著過載量的加重或時間的增長,R4上的取樣電位會相對增加。因而,多諧振蕩電路頻率也會隨著增高。對應NE556的OUT2輸出端⑨腳電位,高低交替變化(唯一不足的是:這種電機綜合保護器的電流取樣只有一相),一旦⑨腳電位變低,單穩態電路電容C6開始充電,按照變化的頻率充電。當電動機過載電流倍數較大時,對應多諧振蕩脈沖中,低電平所占時間相對較長,這時C6充電速度較快;相反,當過載電流倍數較小時,C6充電速度較慢。這使得電動機的過載保護具有反時限特性。達到整定的電流和時間后。
單穩態翻轉,NE556的OUT1輸出端⑤腳變成高電位,繼電器K1斷開,即對外的保護點也斷開。使接觸器回路跳開,電機不能再運轉而受到過載保護。
電位器r1對過載保護電流進行整定,電位器r2可對過載保護的反時限特性進行調整。在啟動時,電動機的啟動電流比正常運行后的過載電流倍數大得多。很容易使單穩態翻轉。按正常過載的整定。往往不能兼顧啟動(這也是這種保護器的又一缺陷)。
所以,調節好星三角啟動方式的切換時間,限制啟動電流,才能使電機綜合保護器定性的使用好。
過載時,NE556的OUT2輸出端⑨腳電位不斷地進行高低變化。使接在輸出端的峰鳴器B1和黃色過載指示燈開始間歇鳴叫或閃光,可提示電動機過載。


1、按照說明書方法進行位置整定
(1)將代表時間和電流的兩個電位器順時針旋到底。即時間值和電流值最大。
(2)在電機和控制線路均為正常的前提下。啟動電動機,待其運轉正常后,綠色指示燈亮。這時,將右邊電流電位器反時針緩慢減小,直至過載黃色報警燈閃爍。然后,再稍微順時針增加一點,在1分鐘內黃色過流指示燈不閃爍一次的臨界狀態為止。
(3)將左邊時間電位器反時針逐漸減小。大于電機的實際啟動時間。
2.大電機的過流整定有條件時可用低電壓大電流整定,如下圖所示。
T1為1kVA單相調壓器,12為500VA、380W36V工作燈變壓器。導線在電機綜合保護器內纏繞10圈。用鉗形電流表卡在變壓器T2的36V二次則內。緩慢增加電壓。并觀察鉗形電流表讀數。如對應電機為110kW,為250A左右。
從220A到250A的變化中過載黃色指示燈由閃爍變為長亮,達到了過流保護。電機過流倍數整定在額定電流的1.25~1.5倍間,時間整定為反時限特性。即電流大時間就短些,但整個時間長度應大于啟動時間。
整個調試過程時間要短,因為變壓器、調壓器元件是處在安全短路狀態的。使用電機綜合保護器終歸是有些麻煩。所以,有些人就喜歡用熱繼電。器這種熟悉的形式。作成下圖的形式,雖然是熱繼電器的結構形式。但是“以小代大”的。克服了大熱繼電器必須使大線“斷點”這一缺點。這種方式,是以電流互感器采樣電流信號。來表征電機的啟動和運行時的電流情況。與電機的大電線是非接觸式的。
再通過小熱繼電器來實現熱過載保護功能。還是做到了減少大線的“斷點”發熱和故障多的問題。
這種方式和電機綜合保護器一樣,也具備非接觸式的特點,而且節能。這里順帶提一句,生產廠家能否把大熱繼電器改成這種形式呢?如生產廠家把它作成一體化,再把熱繼電器容量減小到0.1—1A,這樣既方便又節能。因為,熱繼電器中的熱雙金屬片在動作的過程中,具有反時限的功能。
完全正好作電機的過流熱保護。
